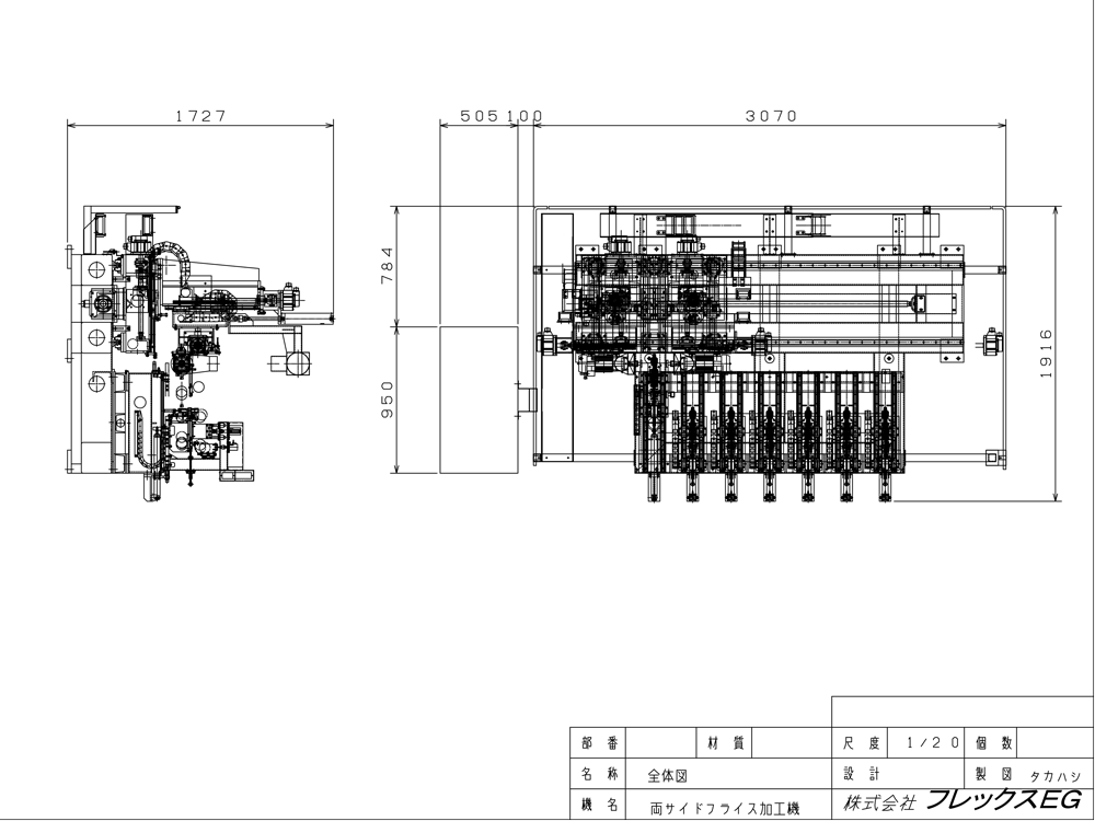
電子ピアノ鍵盤 側面フライス加工機
ELECTRONIC
PIANO
KEYBOARD
SIDE
MILLING
MACHINE
ご相談から納品までの流れ
お客様と当社スタッフが同じ目線で研究し、完成度の高い製品をお届けするため、
納品まで以下のようなプロセスで製品化しております。
- 1
お問い合わせ
- 2
お打ち合わせ
- 3
設計
- 4
構想・お見積り
- 5
製作
- 6
納品
このページで紹介している、楽器部品 製造・加工機、木工機械、樹脂製品加工機などご質問がありましたら、お気軽にご相談ください。



